
Завдання: Реалізувати проект дахової СЕС для компенсації власного споживання та продажу надлишків електроенергії в мережу. Роботи виконати “під ключ”.
Рішення:Команда українських фахівців Alteco спільно з нашим офісом в Республіці Польща виконали проект дахової сонячної станції на комерційному об’єкті.
При реалізації проекту було застосовано сучасне обладнання (сонячні модулі JA Solar, інвертор Huawei, оптимізатори Tigo).
Функції компанії Alteco:Проектування, поставка, монтаж, пуско-налагодження, гарантія.
Результат:Введена в експлуатацію сонячна станція потужністю 42,8 кВт. Проект виконаний з дотриманням усіх європейських норм та правил, а також задовольняє вимоги польського законодавства.

Завдання:Реалізувати проект дахової СЕС для компенсації власного споживання та продажу надлишків електроенергії в мережу. Роботи виконати “під ключ”.
Рішення:
Команда українських фахівців Alteco спільно з нашим офісом в Республіці Польща виконали проект дахової сонячної станції на комерційному об’єкті.
При реалізації проекту було застосовано сучасне обладнання (сонячні модулі JA Solar, інвертор Huawei, оптимізатори Tigo).
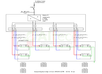
На баластних конструкціях змонтовано 126 сонячних модуля JA Solar JAM60S10-340/MR (технології PERC, Half-cell, Multi-Bus-Bar). Встановлено мережевий інвертор Huawei SUN2000-36KTL –відмінно зарекомендував себе промисловий інвертор (номінальна потужність – 36 кВт, максимальна – 40 кВт, 4 MPPT).
Для мінімізації впливу затінення та відбору максимальної потужності від панелей в рішенні використані оптимізатори потужності Tigo TS4-A-0.
Станція підключена та зареєстрована в хмарному моніторингу Huawei FusionSolar, пристрій моніторингу – Huawei Smartlogger 1000A.
Функції компаніїAlteco:
1)Проектування.
– Проведена калькуляція вироблення сонячної станції та 3D моделювання з розстановкою сонячних панелей.
– За допомогою побудованого 3D-моделювання розраховано рух тіней та вирішено нетривіальне завдання оптимального розміщення сонячних модулів:
— мінімізація втрат від затінювань зовнішніми об’єктами
— мінімізація впливу міжрядного затінення модулів вранці і ввечері, а також в зимовий період
— максимізація продуктивності за рахунок електротехнічного рішення
– Реалізована оптимальна конфігурація сонячних полів та електрична комутація стрінгів з поділом різноспрямованих сонячних масивів і модулів, на які впливає затінення. На окремі модулі, що знаходяться під найбільшим впливом затінень, встановлені оптимізатори потужності
– Розроблена проектна документація – схеми підключення, комутації обладнання, опис конфігурації системи
2)Поставка і контроль якості обладнання та матеріалів.
3)Монтаж сонячних модулів, інвертора, кабельних ліній.
4)Пуско-налагодження комплексу СЕС.
– Налагодження та введення в експлуатацію сонячної електростанції
– Підключення віддаленого моніторингу
5) Гарантія.
– Все обладнання має міжнародні сертифікати якості. Роботи виконані у відповідності з польськими нормами та правилами
– Також нашими фахівцями здійснюється обслуговування станції та своєчасне оновлення програмного забезпечення
Результат: Введена в эксплуатацию солнечная станция мощностью 42,8кВт. Проект выполнен с соблюдением всех европейских норм и правил, а также удовлетворяет требованиям польского законодательства.


Калькуляція продуктивності та 3D-моделювання

Аналіз затінювань


Розробка проектної документації




