Для подключения светодиодной ленты к сети питания 220 В используются следующие компоненты:
— Непосредственно сама светодиодная лента. Одноцветная (в том числе белая) лента, или RGB-лента (со свечением любого цвета).
— Блок питания. Преобразовывает сетевое напряжение — переменное 220 В, в напряжение питания светодиодной ленты — постоянное 12 В(реже 24 В).
— Диммер. Если необходимо, то используется для регулировки яркости ленты с одноцветным (белым) цветом свечения.
— Контроллер RGB – ленты. Осуществляет управление свечением (яркостью, цветом) RGB- ленты.
— Усилитель (повторитель). Применяется для усиления сигнала контроллера, в случае если мощность подключённой RGB – ленты превышает выходную мощность контроллера. Или для подключения одноцветной светодиодной ленты, если мощность ленты больше, чем выходная мощность диммера.
На концах (торцах) светодиодной ленты имеются контакты для подключения (припаивания) проводов питания ленты. Контакты промаркированы, для одноцветной (белой) ленты «+» и «-», для RGB–ленты : «+», «R», «G», «B».


(контакты светодиодной ленты для подключения/пайки)
Блок питания имеет контакты (выводы) для подключения входного переменного напряжения (в зависимости от исполнения может быть с контактом для заземления) и контакты (выводы) выходного напряжения с указанием полярности «+/-».


(вход и выход блока питания)
Для одноцветной (белой, зеленой, синей, красной) светодиодной лены подсоединение выполняется по схеме:
Схема №1


(готовая схема подключения светодиодной ленты)
В случае использования диммера (регулятора яркости), диммер включается «между» блоком питания и лентой. Диммер имеет группу входных контактов для подключения напряжения питания, и группу выходных контактов для подключения ленты.
Схема подключения с диммером:
Схема №2

Светодиодная лентаRGB – фактически представляет собой размещённые рядом светодиоды трёх цветов (красный, зелёный, синий), то есть эту ленту можно представить как три одноцветные ленты, с общим контактом для подачи питания «+», но разными контактами «-» для возможности регулирования по яркости. К контроллеру RGB – ленты подаётся напряжение от блока питания. Выходные клеммы контроллера имеют 4 контакта для подключения ленты, контакты промаркированные: «+», «R», «G», «B». Сам контроллер имеет кнопки (регуляторы) для настройки параметров свечения светодиодной ленты.
Схема подключения RGB ленты:
Схема №3


(схема подключения светодиодной ленты RGB с контроллером)
Подбор компонентов схемы
Мощность компонентов схемы, для подключения светодиодной ленты — блока питания, диммера, контроллера, определяется простым расчётом по формуле:
P = L x W x K
где
P – необходимая мощность блока питания/диммера/усилителя,
L – длина подключаемой светодиодной ленты в метрах,
W – мощность потребляемая одним метром ленты,
K – коэффициент запаса мощности, принимается 1,20 … 1,25.
Из модельного ряда выбирается устройство, мощность которого не ниже расчётного значения Р.
Не рекомендуется выбирать устройство, мощность которого, значительно превышает необходимую, так как это приводит к уменьшению эффективности использования прибора.
Пример подбора блока питания.
Возьмём самую распространённую светодиодную ленту типа SMD 3528 с количеством диодов 60 шт. на метр. Например, нам необходимо подключить 15 метров такой ленты.
В технических характеристиках ленты указана мощность потребления — 4,8 Вт на метр. Значит необходимая мощность блока питания составит: Р= 4,8Вт/м х 15м х 1,25 = 90 Вт. Ближайшим в сторону увеличения будет блок питания мощностью 120 Вт, его и применяем для указанного отрезка ленты.
Необходимо принимать во внимание, что:
1. Токоведущие дорожки на светодиодное ленте всё-таки обладают сопротивлением, и на длине ленты более 5 м возможен эффект затухания (уменьшение яркости свечения светодиодов, в связи с падением напряжения) на участках «отдалённых» от контактов подключения блока питания и ленты.
2. Светодиодные чипы, расположенные на ленте, имеют параллельное электрическое соединение, поэтому ток в токоведущих дорожках возле контактов подключения блока питания выше, чем ток в точке «отдалённой» от подключения. Поэтому, рекомендуем подключать ленты отрезками по 5 м параллельно к блоку питания и не рекомендуем подключать ленты так, чтобы питание одной подводилось от контактов другой.
Рекомендуем
Схема №4

Схема №5

Не рекомендуем
Схема №6

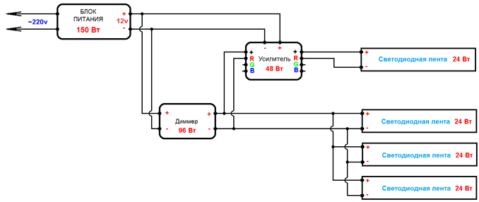
Если выходной мощности Контроллера RGB – ленты, или диммера «не хватает», то подключение проводиться с использованием усилителя. Мощность усилителя определяется аналогично по выше указанной формуле (P = L x W x K).
Примеры схем при использовании усилителей:
Схема №7

Схема №8

Практические советы:
— для выполнения поворотов ленты в наклеиваемой плоскости, существуют специальные коннекторы. Наша практика монтажа (может нам попадались коннекторы плохого качества), убедила нас отказаться от них, и выполнять соединение пайкой.

— длительный срок эксплуатации диода обеспечивается нормальным температурным режимом работы диода, поэтому рекомендуется предпринять меры по отводу тепла от светодиодной ленты. Например, укрепить ленту на бетоне, алюминиевом профиле или металлической полосе и в местах, где возможна естественная вентиляция;
— для нормальной работы компонентов схемы (блоков питания, контроллеров, усилителей), необходимо обеспечить естественную вентиляцию этих устройств. Располагайте устройства так, чтобы зазор между верхней и боковыми поверхностями был не менее 50 мм.
— если нужна лента длиной менее 5-ти метров, то необходимую длину можно отрезать в специально обозначенных местах на ленте. Разрезайте и соединяйте ленту только в этих местах;
— укрепляя ленту непосредственно на токопроводящей (металлической) поверхности, следите за тем, чтобы не замкнуть токопроводящие дорожки ленты;
— проследите за тем, чтобы основа ленты была цела после монтажа и не подвергалась механическому воздействию в последующем при работе;
— старайтесь сократить длину проводников (проводов), по которым протекает ток низкого напряжения. Для прокладки проводов питания ленты с напряжением 12 В, на расстояния 5-10 метров, применяйте провод сечением 1,0 — 1,5 мм2. При прокладке 12-ти вольтовых линий на большие расстояния используйте провод большего диаметра;
— старайтесь монтировать светодиодную ленту так, чтобы радиус поворота был не менее 15 мм.
— не наклеивайте ленту на мягкие и пористые поверхности (пенопласт). В некоторых случаях решить проблему возможно загрунтовав поверхность. Перед наклейкой поверхность должна быть очищена от пыли и обезжирена.
Если у Вас возникли дополнительные вопросы о подключении светодиодной ленты, звоните — мы Вам ответим.
Заказать монтаж светодиодной ленты Вы можете по телефону +38 (044) 233 11 85.
Пользуйтесь разумным освещением и экономьте средства!
